Polia Roda Livre
A polia aciona o alternador, permitindo que a bateria seja carregada.
As polias têm como função: Proteger o sistema de acionamento por meio da correia, filtrando as vibrações torcionais do motor para prolongar a longevidade do acionamento por correia.
Marca: BZM
Código BZM : 77.1063.0
ZEN: 5622
Ficha Técnica:
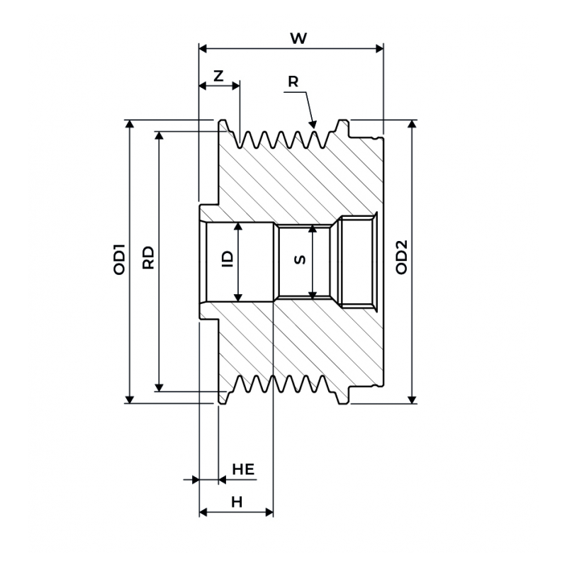
R: Número de Filetes 6
OD1: Ø Externo 1 59.00
OD2: Ø Externo 2 59.00
ID: Ø Rebaixo 17.05
Sentido: CW
H: Alt. Rebaixo 14.50
HE: Alt. do Encosto 06.50
RD: Ø Filetes 53.70
S: Rosca M16
W: Largura 40.70
Z: Dis. 1 Filete 13.70
Aplicações
General Motors/Chevrolet Cruze Hatch (1.8 Gasolina/Gasoline 4 cil/cyl Transmissão Automática/Automatic Transmission/Transmisión Automática)
Cruze Sedan (1.8 Gasolina/Gasoline 4 cil/cyl Transmissão Automática/Automatic Transmission/Transmisión Automática 6 Marchas/Marches)
Tracker (1.8 Gasolina/Gasoline 4 cil/cyl)
Opel Astra J (1.4 Ecoflex, 12/2009 em diante)
Astra J (1.6, 12/2009 em diante)
Astra J (1.6 Turbo, 12/2009 em diante)
Insignia (1.6, 07/2008 em diante)
Insignia (1.6 Turbo, 07/2008 em diante)
Insignia (1.8, 07/2008 em diante)
Vauxhall Astra MK VI (1.4i 16v VVT, 12/2009 em diante)
Astra MK VI (1.6i 16v VVT, 12/2009 em diante)
OEM
General Motors/Chevrolet 55567951
Ina F563424, F580007
KDAC 222588
Luk 535020210
Opel 1204178
Ruville 59964
MOTOR
BMW 12312248296, 12312248297, 12316689983, 12317789980, 12317797521, 12317797522, 12317797660, 12317797661, 12317799204, 12317800308, 12317802928, 12317802929, 12318517261, 2248296, 2248297, 7789980, 7789983, 7797521, 7797522, 7797660, 7797661, 7799204, 7800308, 7802928, 7802929, 8517261
Buick 24103629
General Motors/Chevrolet 13579663, 13579669, 13581885, 13595628, 55567951, 55580126, 95519871
Lester 21512, 21514
Opel 1202120, 1202190, 1202235, 1202244, 1202263, 1202284, 1202310, 1202435, 1204180, 1204292, 1204654, 13500577, 13500582, 13502595, 13579666
Conteúdo da Embalagem:
1- Polia Roda Livre BZM 1063 GM Cruze Astra Tracker ZEN 5622
)
)
)
)